書籍概要

【改訂新版】C言語ではじめるRaspberry Pi徹底入門

著者
発売日
更新日

概要

国内の理工系教育現場におけるプログラミング導入教育では,現在でもC言語が多く採用されています。また,組込み系の開発現場でもC言語は現役です。本書は,そのような環境に身をおく人のための,Raspberry Piによる電子工作の解説書です。OSやプログラム開発環境のセットアップからGPIO,カメラモジュールなどの制御方法,さらにラインをトレースして自走するロボットの開発まで,電子工作に必要なポイントをやさしく説明しています。必要なパーツの入手方法も紹介しており,自作しながら読み進められます。Raspberry Pi 5に対応。

こんな方におすすめ

  • C言語で電子工作をしたい人
  • C言語によるRaspberry Piの制御方法を知りたい人

サンプル

samplesamplesamplesamplesample

目次

Chapter 1 Raspberry Piの概要

  • 1.1 Raspberry Pi誕生の背景
  • 1.2 Raspberry Piでできること
  • 1.3 Raspberry Piのラインアップ
  • 1.4 Raspberry Piの各部の名称
  • 1.5 拡張コネクタの信号
  • 1.6 GPIOの電気的仕様

Chapter 2 OSのセットアップ

  • 2.1 本章で準備するもの
  • 2.2 Raspberry Pi OSとは
  • 2.3 Raspberry Pi OSのダウンロード
  • 2.4 Raspberry Pi OSのインストール
  • 2.5 シャットダウンの方法
  • 2.6 デスクトップ画面の構成
  • 2.7 ターミナルで使用するコマンド
  • 2.8 日本語入力システムとLibreOfficeのインストール
  • 2.9 Raspberry Piの設定メニュー

Chapter 3 プログラムの開発環境

  • 3.1 本章で準備するもの
  • 3.2 ファイル保存用のフォルダ「MyApp2」の作成
  • 3.3 Geanyの基本操作
  • 3.4 コンパイラの設定
  • 3.5 lgpio制御ライブラリとは
  • 3.6 数値のデータ型

Chapter 4 GPIOのデジタル出力を使う

  • 4.1 本章で準備するもの
  • 4.2 LEDとは
  • 4.3 LEDの点灯回路の設計
  • 4.4 ブレッドボードによる試作
  • 4.5 LEDを点滅させる
  • 4.6 バイナリーカウンタの値をLEDに表示させる

Chapter 5 GPIOのデジタル入力を使う

  • 5.1 本章で準備するもの
  • 5.2 タクタイルスイッチとは
  • 5.3 タクタイルスイッチでLEDを点灯させる
  • 5.4 GPIOの内部抵抗を使う
  • 5.5 オルタネート動作をさせる
  • 5.6 バウンシングとは
  • 5.7 8個のスイッチの値を一度にリードする
  • 5.8 割込みとは

Chapter 6 パルス出力・PWM出力・タイムスタンプ・スレッドを使う

  • 6.1 本章で準備するもの
  • 6.2 パルス信号とは
  • 6.3 PWM信号とは
  • 6.4 タイムスタンプとは
  • 6.5 スレッドとは

Chapter 7 I2Cバスを使う

  • 7.1 本章で準備するもの
  • 7.2 I2Cバスとは
  • 7.3 ラズパイのI2Cバス
  • 7.4 LCDとは
  • 7.5 LCD AQM1602の仕様と内部レジスタ
  • 7.6 LCDを制御する関数
  • 7.7 LCDに文字や数字を表示させる
  • 7.8 ライブラリファイルの作成
  • 7.9 センサで温度を測る

Chapter 8 SPIバスを使う

  • 8.1 本章で準備するもの
  • 8.2 SPIバスとは
  • 8.3 ラズパイのSPIバス
  • 8.4 D/Aコンバータとは
  • 8.5 DAC MCP4922の仕様
  • 8.6 DACから電圧を出力させる
  • 8.7 A/Dコンバータとは
  • 8.8 ADC MCP3208の仕様
  • 8.9 ADCを使用して電圧を測定する

Chapter 9 Piカメラで撮影する

  • 9.1 本章で準備するもの
  • 9.2 イメージセンサとは
  • 9.3 Piカメラ3の概要
  • 9.4 カメラアプリlibcameraとは
  • 9.5 人を検知したらPiカメラで撮影する

Chapter 10 自走ロボットを製作する

  • 10.1 本章で準備するもの
  • 10.2 自走ロボットの概要
  • 10.3 自走ロボットの仕組み
  • 10.4 ライン検出基板の製作
  • 10.5 メインボードの製作
  • 10.6 シャーシの組み立て
  • 10.7 自走ロボットのテスト走行
  • 10.8 自走ロボットの組み立て

Chapter 11 自走ロボットを制御する(基礎編)

  • 11.1 基礎編について
  • 11.2 VNCの設定
  • 11.3 LEDを点滅させる
  • 11.4 LCDに変数の値を表示させる
  • 11.5 赤色SWと白色SWをテストする
  • 11.6 圧電サウンダを鳴らす
  • 11.7 フォトセンサの信号を表示する
  • 11.8 DCモータを回転させる
  • 11.9 DCモータを正転,逆転,ストップさせる
  • 11.10 シャットダウンボタンを追加する
  • 11.11 緩やかなラインをトレースする

Chapter 12 自走ロボットを制御する(応用編)

  • 12.1 応用編について
  • 12.2 RCサーボモータの位置決めをする
  • 12.3 センサで距離を測る
  • 12.4 障害物を検出して自動停止して撮影する

サポート

ダウンロード

サンプルソースコードダウンロード

(2025年4月7日更新)

本書のChapter 4以降で作成するサンプルソースコードの完成版ファイルをダウンロードできます。ZIP形式で圧縮されています。本書を使った学習の際にご利用ください。

6-Pwm01.cと11-Motor.cが変更されました。詳しくは正誤表をご確認ください。
ダウンロード
MyApp2.zip

拡張コネクタガイドについて

(2024年12月20日更新)

本書の「拡張コネクタガイド」をダウンロードできます。解凍してできた PDFファイルを「実際のサイズ」で印刷してご利用ください。

ダウンロード
connectorguide.zip(約1.4MB)

補足情報

次のWebサイトでも補足情報や自走ロボットの動画などをご確認いただけます。

(2024年12月20日更新)

正誤表

本書の以下の部分に誤りがありました。ここに訂正するとともに,ご迷惑をおかけしたことを深くお詫び申し上げます。

(2025年8月19日最終更新)

P.259 表10-2:上から14行目の「名称」と「参考品」

多回転半固定ボリューム横型1kΩ
秋月電子通商115464
多回転半固定ボリューム横型10kΩ
秋月電子通商115466

(以下2025年4月7日更新)

P.156 リスト6-2(6-Pwm01.c)上から3行目

#include "lgpio.h"
#include <lgpio.h>

P.169 下から2行目

スレッドを起動させるタイミングがOSやlgpioライブラリに依存しているためです。
主な要因は半周期を小数点以下3桁に丸めた誤差です。「0.166667」とすることで誤差は小さくなります。

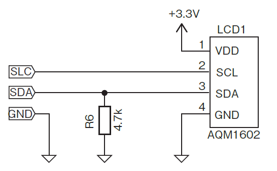
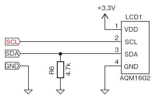
P.188 図7-17

fig7-17_誤.png

fig7-17_正.png

P.199 図7-22

fig7-22_誤.png

fig7-22_正.png

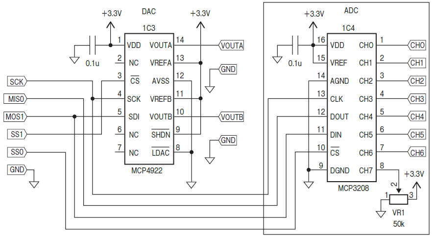
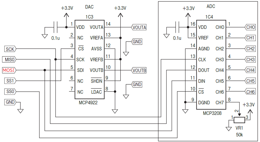
P.217 図8-8

fig8-8_誤.png

fig8-8_正.png

P.223 図8-13

fig8-13_誤.png

fig8-13_正.png

P.232 図8-22

fig8-22_誤.png

fig8-22_正.png

P.272 見出し

10.4.6 検査回路の検査
10.4.6 ライン検出基板の検査

P.333 リスト11-6(11-Motor.c)19行目,23行目,27行目,31行目

wheel
shaft

P.333 リスト11-6(11-Motor.c)35行目,39行目,43行目

All wheels
Both shafts

P.337 リスト11-7(11-Shutdown.c)19-20行目

hndLcd = lgI2cOpen(I2C_BUS,LCD_ADR,0);
LcdSetup(hndLcd);
(2行を削除)

P.354 表12-1:SG-90の主な仕様

動作電圧 4.8V~5V
動作電圧 3.3V~6V

商品一覧