【改訂新版】
サポートページ
ダウンロード
サンプルソースコードダウンロード
(2025年4月7日更新)
本書のChapter 4以降で作成するサンプルソースコードの完成版ファイルをダウンロードできます。ZIP形式で圧縮されています。本書を使った学習の際にご利用ください。
6-Pwm01.cと11-Motor.cが変更されました。詳しくは正誤表をご確認ください。
- ダウンロード
- MyApp2.zip
拡張コネクタガイドについて
(2024年12月20日更新)
本書の「拡張コネクタガイド」をダウンロードできます。解凍してできた PDFファイルを「実際のサイズ」で印刷してご利用ください。
- ダウンロード
- connectorguide.zip(約1.4MB)
補足情報
次のWebサイトでも補足情報や自走ロボットの動画などをご確認いただけます。
(2024年12月20日更新)
- 著者のサポートページ
https://raspi-gh2.blogspot.com/ - 著者のYouTubeチャンネル
https://www.youtube.com/ @RaspberryPiWithC
お詫びと訂正(正誤表)
本書の以下の部分に誤りがありました。ここに訂正するとともに、ご迷惑をおかけしたことを深くお詫び申し上げます。
(2025年8月19日最終更新)
P.259 表10-2:上から14行目の「名称」と「参考品」
| 誤 | 多回転半固定ボリューム横型1kΩ 秋月電子通商115464 |
|---|---|
| 正 | 多回転半固定ボリューム横型10kΩ 秋月電子通商115466 |
(以下2025年4月7日更新)
P.156 リスト6-2(6-Pwm01.c)上から3行目
| 誤 | |
|---|---|
| 正 | |
P.169 下から2行目
| 誤 | スレッドを起動させるタイミングがOSやlgpioライブラリに依存しているためです。 |
|---|---|
| 正 | 主な要因は半周期を小数点以下3桁に丸めた誤差です。「0.166667」とすることで誤差は小さくなります。 |
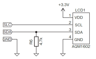
P.188 図7-17
| 誤 | |
|---|---|
| 正 |
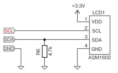
P.199 図7-22
| 誤 | |
|---|---|
| 正 |
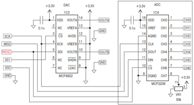
P.217 図8-8
| 誤 | |
|---|---|
| 正 |
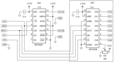
P.223 図8-13
| 誤 | |
|---|---|
| 正 |
P.232 図8-22
| 誤 | |
|---|---|
| 正 |
P.272 見出し
| 誤 | 10.4.6 検査回路の検査 |
|---|---|
| 正 | 10.4.6 ライン検出基板の検査 |
P.333 リスト11-6(11-Motor.c)19行目、23行目、27行目、31行目
| 誤 | |
|---|---|
| 正 | |
P.333 リスト11-6(11-Motor.c)35行目、39行目、43行目
| 誤 | |
|---|---|
| 正 | |
P.337 リスト11-7(11-Shutdown.c)19-20行目
| 誤 | |
|---|---|
| 正 | (2行を削除) |
P.354 表12-1:SG-90の主な仕様
| 誤 | 動作電圧 4.8V~5V |
|---|---|
| 正 | 動作電圧 3.3V~6V |









